The UZTEL ram blowout preventers available In single (UZS 01 type) and double (UZD 02 type) configuration, manufactured according to API 16A, are wellhead equipments designed to close the well and prevent free blowouts that may occur when drilling and bringing in oil and gas wells.

For this scope, annular blowout preventers perform the following operations:

Seal off the annulus between the casing on which they are assembled and the outside of drill pipes, tubing and casings;

-        Seal off the hole when the strings of pipes, tubing or casings are out of hole;

-        Direct the drilling fluid from the well to the mud tanks, in order to relieve well pressure;

The UZTEL UZS 01 and UZT 02 ram type blowout preventers offers a unique combination of benefits, including safety, economy, reliability, fast and easy service, extended service life, and reduced height. These performances are getting through the following:

-      The oval ram and cavity design reduces stress in the BOP body;

-      Ram assembly provides a pressure energized seal with maximum contact area with the drill pipe, casing, or tubing, ensures a lower rubber pressure and increased seal life;

-      Sealing Is energized by well pressure acting on the ram and Is maintained even with the loss of BOP operating pressure;

-      Centering guides push the drill pipes, tubing or casing to a central position by special machining practice In the ram assembly body;

ram bop preventer 1

 

- The BOP hydraulic operating systems Is designed to provide a fast and reliable closure of the well bore and provides the means for quick ram change-out;

- Hydraulic opening bonnets separate the bonnets tram the body and expose the ram assemblies for a quick change-out;

- Well pressure Is Isolated beside hydraulic fluid pressure using two sealing systems: one for well pressure and one for hydraulic fluid pressure;

- The ram assemblies are locked manually In shut off position.

Depending on the working environment, the UZS 01 and UZD 02 Ram blowout preventers are manufactured on the following two types:

Manufacturing alternative

Working environment

TRIM

STANDARD

Drilling fluids based on water or oilfield products with

max. temperature 212° F (100°C).

TRIM

NACE*

Drilling fluids based on water or oilfield products with H2S content-conf. NACE-MR-01.75-cl.a lll-a, with max. temperature 212° F (100°C).

ram bop preventer

 

Assemly ram blowout preventer. Main Components

ram bop preventer -main components1

ram bop preventer -main components2

ram bop preventer -main components table

ram bop preventer -main components 3

 

 

ram bop preventer -pipe ram

 

ram bop preventer -pipe ram table

 

ram bop preventer -shear ram table

 

ram bop preventer -p19

 

ram bop preventer -p19 table

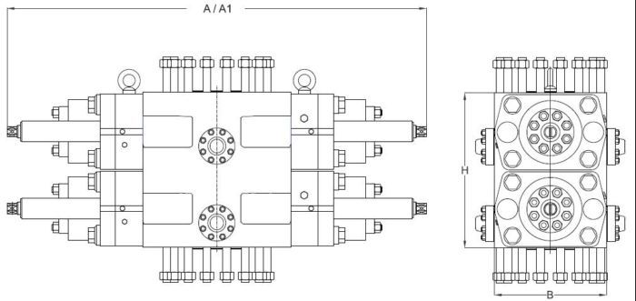
                         A* bonnets opened, locking screws out

                         A1 bonnets closed, locking screws in 

                         Outlets:2 1/16"flange or studded flange (other dimension on request)

                         Hydraulic system connection: 1"

 

ram bop preventer -p20

ram bop preventer -p20 table

                         A* bonnets opened, locking screws out

                         A1 bonnets closed, locking screws in 

                         Outlets:2 1/16"flange or studded flange (other dimension on request)

                         Hydraulic system connection: 1"

| + -